Hyundai Santa Fe (TM): Body Electrical System / Windshield Wiper/Washer
Components and components location

1. Windshield
wiper arm & blade
2. Wiper & washer switch
3. Windshield washer hose
4. Windshield wiper motor & linkage
|
5. Washer motor
6. Washer reservoir
7. Front wiper relay (Engine room relay box)
8. Rear washer hose & nozzle
|
Windshield Wiper-Washer Switch. Repair procedures
|
1. |
Disconnect the negative (-) battery terminal.
|
|
2. |
Remove the steering wheel.
(Refer to - "Steering Wheel")
|
|
3. |
Remove the steering columm shround.
(Refer to - "Steering Columm Shround panel")
|
|
4. |
Remove the clock spring.
(Refer to Restraint - "Driver Airbag(DAB) and Clock Spring")
|
|
5. |
Remove the multifunction connector (A).

|
|
6. |
Remove the multifunction switch (A) after loosening the mounting screws
(2EA).

|
|
1. |
Install the multifunction switch after connecting the connector.
|
|
2. |
Install the clock spring and steering.
|
|
3. |
Install the upper and lower shroud.
|
|
4. |
Install the steering wheel.
|
|
1. |
Check for continuity between the terminals in each switch position as
shown below.

Switch
|
Switch position
|
Switch terminal
|
Resistance (Ω, ±3.5%)
|
Front wiper switch
|
MIST
|
1-9
|
330
|
OFF
|
∞
|
INT (AUTO)
|
800
|
LOW
|
1800
|
HIGH
|
5700
|
Front wiper intermittent volume
|
Volume 1
|
7-9
|
330
|
Volume 2
|
690
|
Volume 3
|
1310
|
Volume 4
|
2610
|
Volume 5
|
7310
|
Rear wiper switch
|
OFF
|
4-16
|
∞
|
LOW
|
910
|
HIGH
|
2000
|
Fog lamp switch
|
OFF
|
9-10
|
∞
|
Front foglamp
|
910
|
Rear foglamp
|
2910
|
Turn signal switch
|
OFF
|
9-12
|
∞
|
Left
|
910
|
Right
|
2910
|
Dimmer & Passing switch
|
OFF
|
9-13
|
∞
|
Passing
|
910
|
Dimmer
|
2910
|
Light switgh
|
OFF
|
9-14
|
680
|
AUTO / DRL
|
∞
|
Tail lamp
|
1680
|
Low beam
|
5580
|
|
Inspection (With diagnostic tool)
|
1. |
In the body electrical system, failure can be quickly diagnosed by using
the vehicle diagnostic system (diagnostic tool).
The diagnostic system (diagnostic tool) provides the following information.
|
(1) |
Fault Code Searching : Checking failure and code number (DTC)
|
|
(2) |
Data Analysis : Checking the system input/output data state
|
|
(3) |
Actuation test : Checking the system operation condition
|
|
(4) |
S/W Management : Controlling other features including system
option setting and zero point adjustment
|
|
|
2. |
If diagnose the vehicle by diagnostic tool, select "DTC Analysis" and
"Vehicle".

|
|
3. |
If check current status, select the "Data Analysis" .

|
|
4. |
Select the 'IBU_BCM' to search the current state of the input/output
data.


|
Front Wiper Motor. Components and components location

1. Cap
2. Nut
3. Wiper arm & blade
4. Cowl top cover
|
5. Bolt
6. Wiper motor & linkage assembly
7. Wiper motor connector
|
Front Wiper Motor. Repair procedures
|
1. |
Disconnect the negative (-) battery terminal.
|
|
2. |
If necessary, release the wiper blade fixing clip(A) by pulling up and
remove the wiper blade(B) from the inside radius of wiper arm.

|
|
3. |
Remove the cowl top cover.
(Refer to Body - "Cowl Top Cover")
|
|
4. |
Disconnect the wiper motor connector (A) from the wiper motor & linkage
assembly.

|
|
5. |
Remove the windshield wiper motor and linkage assembly (A) after removing
2 bolts.

|
|
6. |
Hold the wiper motor crank arm and remove the upper linkage (A) from
the wiper motor crank arm.

|
Before removing the wiper motor and linkage assembly, make sure
that the linkage is stoped at auto stop position.
To install the wiper motor crank arm exactly, check that the
linkage is aligned with the crank arm in straight line and the
angle of each linkages.
Be careful not to bend the linkage.
|
|
|
7. |
Remove the lower linkage (A) from the wiper motor crank arm.

|
To install the wiper motor crank arm exactly, check that the
linkage is aligned with the crank arm in straight line and the
angle of each linkages.
Be careful not to bend the linkage.
|
|
|
8. |
Remove the crank arm (B) after loosening a nut (A).

|
|
9. |
Remove the bracket (A) after loosening the screws (3EA).

|
|
10. |
Remove the wiper motor from the tube.
|
|
1. |
Install the wiper motor and linkage assembly and then connect the wiper
motor connector.
|
Tightening torque:
6.9 - 10.8 Nm (0.7 - 1.1 kgf.m, 5.0 - 7.9 lbf.ft)
|
|
|
2. |
Install the cowl top cover.
|
|
3. |
Install the windshield wiper arm and blade.
|
Tightening torque:
22.5 - 26.5 Nm (2.3 - 2.7 kgf.m, 16.6 - 19.5 lbf.ft)
|
|
– |
The windshield wiper motor must be cycled to make sure
that it is in the park position.
If necessary, adjust the wiper arm and blade.
|
|
|
|
4. |
Install the wiper arm and blade to the specified position.
A: Auto stop position (Blade)

|
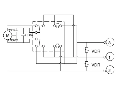
Speed Operation Check
|
1. |
Remove the connector (A) from the wiper motor.

|
|
2. |
Attach the positive (+) lead from the battery to terminal 3 and the
negative (-) lead to terminal 1.
|
|
3. |
Check that the motor operates at low or high speed as below table.


|
Common sources of contamination are insects, tree sap, and hot
wax treatments used by some commercial car washes. If the blades
are not wiping properly, clean both the window and the blades
with a good cleaner or mild detergent, and rinse thoroughly
with clean water.
|
|
Diagnosis with diagnostic tool
|
1. |
In the body electrical system, failure can be quickly diagnosed by using
the vehicle diagnostic system (diagnostic tool).
The diagnostic system (diagnostic tool) provides the following information.
|
(1) |
Fault Code Searching : Checking failure and code number (DTC)
|
|
(2) |
Data Analysis : Checking the system input/output data state
|
|
(3) |
Actuation test : Checking the system operation condition
|
|
(4) |
S/W Management : Controlling other features including system
option setting and zero point adjustment
|
|
|
2. |
If diagnose the vehicle by diagnostic tool, select "DTC Analysis" and
"Vehicle".

|
|
3. |
Select the 'Data Analysis'.

|
|
4. |
Select the 'IBU_BCM' to search the current state of the input/output
data.


|
Front Washer Motor. Repair procedures
Front and Rear Washer Motor
|
1. |
With the washer motor connected to the reservoir tank, fill the reservoir
tank with water.
|
Before filling the reservoir tank with water, check the filter
for foreign material or contamination. if necessary, clean the
filter.
|
|
|
2. |
Connect positive (-) battery cables to terminal 1 and negative (+) battery
cables to terminal 2 respectively.
|
|
3. |
Check that the motor operates normally and the washer motor runs and
water sprays from the front nozzles.
|
|
4. |
If they are abnormal, replace the washer motor.
[Standard Type]
No
|
Description
|
1
|
Ground
|
2
|
Windshield washer (+)
|
3
|
Rear washer (+)
|


|
Washer Fluid Level Sensor Switch
|
1. |
Disconnect the negative(-) battery terminal.
|
|
2. |
Drain the washer fluid less than 650 cc.
|
|
3. |
Check for continuity between the No. 1 and No.2 terminal in each float
position.
There should be continuity when the float is down.
There should be no continuity when the float is up.
|
|
4. |
If the continuity is not as specified, replace the washer fluid level
switch


|
| –
|
When servicing the washer pump, be careful not to damage the
washer pump seal.
|
| –
|
Do not operate the washer pump before filling the washer reservoir.
Failure to do so could result in premature pump failure.
|
|
|
1. |
Disconnect the negative (-) battery terminal.
|
|
2. |
Remove the front bumper cover.
(Refer to Body - "Front Bumper Cover")
|
|
3. |
Remove the washer hose and disconnect the washer motor connector and
washer fluid level sensor connector.
|
|
4. |
Remove the washer motor.

|
|
5. |
Remove the washer reservoir (A) after loosening bolts .

|
|
1. |
Reassemble the washer reservoir.
|
Tightening torque (Bolt)
3.9 - 5.9 Nm (0.4 - 0.6 kgf.m, 2.9 -4.3 lbf.ft)
|
|
Before installing the pump motor, check the filter for foreign
material or contamination. if necessary, clean the filter into
the pump motor.
|
|
|
2. |
Install the head lamp washer pump and washer motor.
|
|
3. |
Install the washer nozzle.
|
|
4. |
Connect the washer motor connector and washer hose.
|
|
5. |
Reassemble the front bumper cover.
|
Rain Sensor. Description and operation
Integrated Rain Sensor
Integrated rain sensor (A) controls three systems: front wiper, auto-light,
and central air conditioner.
|
1. |
Wiper Control System
When "AUTO" switch signal is received from the multi-function switch
on the right, the integrated rain sensor detects the amount of rainfall.
The sensor is installed inside the upper part of the front window for
wiper motor control.
This system automatically controls the operation duration and speed
of the wiper depending on the measured amount of rainfall even if the
driver does not operate the wiper switch.

|
| Functions and Operating
Principles |
Basic Principle
|
1. |
Detecting the amount of rainfall
The light (beam) emitted from light emitting diodes (LED) is totally
reflected on the external surface of the windshield and comes back to
the photo diodes. When there is water on the external surface of the
windshield, the light is optically separated and reflected partially
and the remaining brightness is measured by the photo diodes. Water
remaining on the windshield results in the light being not totally reflected.
The loss of brightness due to this indicates how much the glass surface
is wet.
|
Interference
Rain sensor might malfunction due to the interferences listed below.
|
1. |
Dust on the measuring surface and other surfaces on the light path (surface
of light emitting diodes and photo diodes, fiber optics, bracket, and
glass surface of windshield joint area) weakens the received light.
|
|
2. |
Movement of windshield and bracket
|
|
3. |
Movement of bracket due to vibration
|
| •
|
When the integrated rain sensor does not operate or malfunctions,
the driver should operate the wiper switch manually.
|
|
Automatic Operation
|
1. |
Operational status of rain sensor
Operation Mode
|
Operation
|
Direct Mode
|
It is the normal operational status of the integrated rain sensor
when the wiper switch is in "Auto" and the sensor detected dry windshield.
Based on this state, integrated rain sensor determines the operation
mode of wiper depending on the rainfall and its duration.
|
Intermittent Mode
|
Integrated rain sensor activates the intermittent mode when wiper
operation is done successively more than twice with a pause of 0.5
- 5 seconds.
|
Low Speed
|
The wiper operates continuously in low speed
|
High Speed
|
The wiper operates continuously in high speed
|
|
Safety Function
|
1. |
When there is ice or foreign matter in the detecting area, integrated
rain sensor cannot recognize the condition for operation correctly.
|
Detecting Special Conditions
|
1. |
Rain sensor
Special Condition
|
Operation based on special conditions detecting
|
Splash
|
When integrated rain sensor detects a high level of water (splash)
in Direct or Intermittent mode, the system switches from Park to
High speed. Then, wiping is done once in High speed and once more
in Low speed. If the condition of rainfall does not change after
wiping, it returns to the original condition (Direct or Intermittent).
|
Smearing
|
Smearing is a thin oil film that has dried fast and occurs when
a small amount of rainfall is wiped by a dirty or worn-out wiper
blade. Operational signal should not be issued when smearing occurs
in Direct or Intermittent mode.
|
Dirt
|
When no change is detected after wiping, integrated rain sensor
determines that the windshield is dirty. In this state, operational
signal should not be issued. If the windshield becomes clean (for
example, by washer fluid), the integrated rain sensor returns to
the normal condition.
|
Washer fluid
|
Integrated rain sensor does not respond to the washer fluid during
the Washer mode. In other words, wiping speed does not change even
if the washer fluid is sprayed (automatic operation of the washer
pump is not reflected in the functioning of integrated rain sensor).
|
|
Rain Sensor. Components and components location

Rain Sensor. Schematic diagrams

Rain Sensor. Repair procedures
| •
|
Do not damage or touch the silicone (coupling medium).
|
| •
|
Be careful so that the silicon is not contaminated by foreign
substances, dust, etc. .
|
| •
|
Use caution, as the silicon may be damaged if you try to separate
the rain sensor forcibly.
|
|
| •
|
The dust or foreign substance on the rain sensor may have bad
influence on the performanec of the rain sensor. In order to
ensure accurate function of the rain sensor, protect the sensor
surface with the protection cover until the sensor is installed
on the bracket.
|
| •
|
The coupling pad on the rain sensor surface is adhesive and
the coupling pad may stick to the windshield during the use
depending on the environment condition.
Therefore, it may be damaged when you try to remove the rain
sensor from the windshield forcibly. Use caution when sepearting
it from the windshield.
|
|
|
1. |
Remove the rain sensor cover (A)&(B).

|
|
2. |
To remove the latch, pull aside the latch using the cover hole with
a small flat-blade screwdriver (A).

|
|
3. |
Remove the rain sensor.
| 1) |
Insert a small flat-blade screwdriver (-) into a space at the
bottom(B) or top(A), between the rain sensor and bracket. .
|
| 2) |
Pull the rain sensor slowly up and down in the vertical direction
of the glass, then disassemble the rain sensor slowly from windshield
without damaging the silicone on the sensor.
|


|
• |
It may be damaged when you try to remove the rain sensor
from the windshield forcibly. Use caution when sepearting
it from the windshield.
|
|
• |
When detaching the silicone under a high temperature,
it may be easily damaged because of the adhesive strength
of the silicone. Remove the silicone in a cool enviroment.
|
|
|
|
4. |
Disconnect the wiring harness connector (B) from the rain sensor by
inserting a small flat-blade screwdriver (A) into the space.

|
| •
|
Check the operation of the rain sensor and the light sensor
before mounting.
|
| –
|
Check the sensor for silicon damage.
|
| –
|
Check whether the rain sensor connector is tightened.
|
| –
|
Check whether the rain sensor and bracket are properly tightened.
|
| –
|
Check whether the sensor mounted area is free from foreign matters.
|
| –
|
Recalibrate sensitivity of the swtich if the auto-wiping operation
is insensitivity or too much sensitive.

|
| •
|
In case the silicone of the rain sensor is normal or slightly
damaged as shown in the below images, it can be reused.
Normal
|
Damage within 1.5 mm of outer part
|
|

|

|
|
| •
|
In case the silicone of the rain sensor is damaged as shown
in the below images, it should be replaced with a new silicone.
Foreign substances
|
Fingerprint
|
Damege
|
|

|

|

|
|
| •
|
In case the silicone of the rain sensor is damaged it should
be replaced it as shown below.
1) Remove the damaged silicone gel pad from the lens plate completely.

|
• |
Be careful not to damage or contaminate the
surface of the lens plate during removal.
|
|
2) Attach the new silicone gel pad aftet removing the silicone
paper (A) then remove the transperent film (B).

|
• |
When attaching the silicone gel pad to the sensor,
be careful not to contaminate
|
|
|
| •
|
It is very important that the silicon (coupling pad) is completely
pushed against the windshield and stuck without any air bubble.

|
| •
|
In case of replacing the damaged windshield, you may reuse the
undamaged exisitng rain sensor.
|
| •
|
The windshield glass has to be clean and free of contamination
or foreign substances.
|
|
|
1. |
Connect the rain sensor connector.
|
|
2. |
Push one of the latch of spring arm (A) down until it snaps and you
hear a click sound.
And then push the latch of second spring arm (B) for keeping the sensor
in right position.

|
• |
Do not snap both spring arms at the same time.
|
|
• |
An incorrectly mounted snap connection may cause malfunctions
of the rain/light sensor.
|
|
|
Description and operation
Description
Power tailgate is an electro-mechanical system designed to provide power opening
and closing of the tailgate through the push of a button of a remote key (fob),
console switch, inner switch or an outside handle switch of the tailgate.
Components and components location
Component Location
1. Rear wiper
arm nut
2. Rear wiper arm & blade
3.
Other information:
Description and operation
Description
Surround View Monitor (SVM) is the system that allows video monitoring of 360
degrees around the vehicle. The system includes 4 ultra optical camera mounted
around the vehicle (front, both sides, rear).
Desctiprion and operation
Description
ADAS_PRK is a unit that controls the functions required for ADAS parking. If
the ADAS_PRK is applied, the parking distance warning function is also controlled
by the ADAS_PRK.
System Function
Parking Collision-Avoidance Assist
(PCA)
PCA is a parking safety system