Hyundai Santa Fe (TM): Body Electrical System / Integrated Body Control Unit (IBU)

Description and operation

Description
Body Control Module Controls The Followings
–
Wiper & Washer Control
–
Defroster Control
–
Driving Control
–
Tailgate Control
–
Window Control
–
Interior Control
–
Exterior Control
–
Panic alarm Control
–
MTS
–
Flasher output Control
–
Door lock/unlock Control
–
Burglar alarm Control
–
Remote start Control
–
UMS(User Mode Setting) Control
–
Gateway/ Diagnosis
Integrated Body Control Unit (IBU)
Integrated body control unit has integrated several functions including body control module (IBU), smart key unit (SMK), and tire pressure monitoring system (TPMS).
1.
Body Control Module (IBU) Functions
Burglar Alarm
Trunk Burglar Alarm
Issues an alarm depending on the trunk operation.
Panic Alarm
Generates warning sound and displays flasher lamp (horn & flasher) depending on the panic signal.
Security Lamp Control
Controls security lamp in vehicle alert status.
External Lamp
Tail Lamp
Turns on / off the tail lamp automatically. It also turns off the tail lamp automatically when the driver forgot to turn off the lamp switch.
Auto Light
Turns on/off the tail lamp and head lamp automatically depending on whether it is day or night when the head lamp switch is placed at Auto.
Welcome Light
The welcome light function turns on the head lamp and tail lamp for 15 seconds when an unlock signal is detected while vehicle door is locked.
Escort Function
Turns on the escort lamp when the power is turned off while the head lamp is on.
–
It turns on the head lamp and maintains the state for 20 minutes if ignition is turned off while the head lamp is on.
–
The head lamp remains on only for 30 seconds when the driver seat door is opened and closed during the 20-minute period.
–
The head lamp turns off when remote control lock button is pressed twice while the head lamp is on.
Head Lamp (Low Beam / High Beam)
Controls high beam / low beam depending on the head lamp switch (multi-functional switch).
Daytime Driving Light Control
Controls the daytime driving light lamp depending on the conditions at the time of vehicle start.
Internal Lamp
Foot Lamp
Turns on/off the foot lamp depending on the power conditions and whether the shift lever is at the P position.
Engine Start Maintenance Button Lamp
Turns on/off the SSB lamp depending on vehicle power conditions, door open / closed status, and alert mode.
Room Lamp
Turns on/off the interior lamp depending on vehicle power conditions and door open / closed status.
Mood Lamp
Turns on/off the mood lamp depending on user settings.
Rheostat
Controls the brightness of interior electrical lamps (instrument cluster, HUD, AVN, etc.) depending on rheostat switch input.
Front / Rear Parking Assist
PAS Display
Receives a signal from parking assist sensor through LIN communication and displays it on the instrument cluster.
PAS Warning
Detects obstacles in front and rear sides using the parking assist sensor (PAS sensor) in the case of gear input (R or D) and issues a warning if there is an obstacle.
Warning
Seat Belt Reminder and Indicator Lamp
Issues a warning if the seat belt is not fastened, and prevents pattern activation if the vehicle is driven while the seat belt is not fastened.
Key Reminder Warning
Issues a warning if the driver seat door is open while ACC is on.
Parking Brake Warning
Generates a warning sound if vehicle speed exceeds 5 km/h while IGN is on and parking brake is on.
Sunroof Open Warning
Issues a warning if the key is removed and the driver leaves the vehicle while the sunroof is open.
Wiper and Washer
Wiper (Low / High / Mist / Auto)
IBU receives wiper switch signal via B-CAN and sends the data to wiper motor (embedded) via LIN communication.
Front Washer
IBU sends the washer switch signal to front washer motor.

2.
Smart Key Unit (SMK) Functions
SMK
Door Lock and Unlock
Locks/Unlocks the door based on the door unlock signal and the signal from push buttons on the driver seat / passenger seat outside handles.
SMK Welcome Light
Controls door mirror and puddle lamp after smart key authentication when the driver with smart key approaches the vehicle.
Smart Trunk
Opens the trunk if the driver with valid smart key stays in front of the rear bumper (within LF antenna range) for 3 seconds or more.
SMK Warning
Key Reminder 1
When the driver attempts to lock the door, it checks if there is a smart key inside the vehicle and unlocks the door if there is one.
Key Reminder 2
Checks the door lock status for 0.5 seconds after the vehicle door is closed and unlocks the door and generates a warning sound using the external buzzer if the door is locked.
Door Lock Warning 1
Generates a warning sound with the external buzzer if the driver tries to leave the vehicle while ACC or IGN is on.
Door Lock Warning 2
Generates a warning sound with the external buzzer if the driver tries to lock the door and leave the vehicle while one or more doors are open.
Door Lock Warning 3
Searches for a smart key inside the vehicle when the driver tries to lock the door, and issues a warning and does not lock the door if there is a smart key inside.
Key Out Lamp Warning
If the vehicle moves at 3 km/h or less while ACC or IGN is on and the door is open, it searches for the smart key every 3 seconds and blinks the warning lamp if there is no smart key.
SMK RKE (Remote Keyless Entry)
Door Lock / Unlock
Locks/Unlocks the door based on the door unlock signal and the signal from push buttons on the driver seat / passenger seat outside handles.
Panic
Performs vehicle panic and panic stop functions based on the panic button signal.
Window Open
Opens/Closes vehicle window based on the smart key signal.
Engine Start
Start Stop Button (SSB), Immobilizer, Start Relay Power Control, SSB Lamp Control

3.
Tire Pressure Monitoring System (TPMS) Functions
Tire pressure monitoring system continuously monitors pressure and temperature inside the tire in order to warn the driver of the changes in tire pressure that may have influence on vehicle driving conditions. TPMS control module analyzes the data from the WE (Wheel Electronic) sensor attached inside each wheel and determines the tire conditions and generates a signal that is necessary for warning lamp control.
Communication Network Diagram

Abbreviation
Explanation
IBU
Interated Body Control Unit
DDM
Driver Door Module
PTGM
Power Tail Gate Module
ICU
Interated Control Unit
PCU
Powertrain Control Unit
ECU
Engine Control Unit
CLU
Cluster
MDPS
Moter Driven Power Steering
SVM
Sorround View Monitor
ACU
Airbag Control Unit
VDC
Vehicle Dynamic Control
SCC
Smart Cruise Control
DBL
Dynamic banding Light
LKA
Lane Keeping Assist
BCW
Blind-Spot Collision Warning
RVM
Rear View Monitor
SAS
Steering Angle Sensor
HUD
Head up Display
TCU
Transmission Control Unit
MTC
Temp Control
DATC
Dual Automatic Temp Control
4WD
Four Wheel Drive
F/PUMP
Fuel Pump Control Module
V/PUMP
Vacuum Pump
OCS
Occupant Classification System
WPC
Wireless Power Chager
IMS
Integrated Memory System
AMP
Amplifier
AVN
Head Unit (Audio / AVN)
HUD
Head Up Display

Components and components location

Components (1)
With Smart Key

Connector Pin Information
No
Connector A
Connector B
Connector C
1
Fuel door release switch_input
GND_ECU
Front wiper relay (Low)_output
2
Fuel door open switch_input
PDW-F power_output
ESCL (+)_output
3
GND_Power
ESCL (-)_output
Start relay_output
4
PDW-R_Power_Output
Front wiper high relay_output
IGN1 relay_output
5
EMS ECU wake up_output
PDW-R switch IND_output
Immobilizer antenna power_output
6
Rear washer switch_input
P-Position_input
Immobilizer antenna ground_output
7
LIN4 (Rear seat remind)
-
-
8
P_CAN (Low)
Rear view switch_input
Driver outside handle antenna(+)_output
9
P_CAN (High)
-
Interior1 antenna (+)_output
10
-
Wheel speed sensor_input
Front bumper antenna (+)_output
11
B_CAN (Low)
-
Tailgate3 antenna(+)_output
12
B_CAN (High)
3rd line sheet belt indicator RH_output
-
13
SSB switch_input
-
Passenger outside handle antenna(+)_output
14
Driver handle antenna switch_input
Rear center seat belt indicator_output
Immobilizer K-Line
15
P-Position_input (PWM)
Fuel door open relay_output
Bumper antenna (+)_output
-
16
Fog switch_input
-
Interior antenna2(+)_output
17
Light switch_input
Auto light sensor signal_input
IGN2_input
18
Front wiper INT volume switch_input
Auto light sensor power_output
IGN1_input
19
Multifunction switch_input
ATM solenoid_output
IGN2 relay_output
20
Assist mirror unfolding switch_oupout
Puddle pocket lamp_output
Battery_power
21
Assist mirror (Horizontal)_output
-
Brake switch_input
22
Front washer switch_input
SSB ring illumination_output
Start feedback_input
23
Front wiper low switch_Input
piezo buzzer_output
-
24
LIN1 (PDW)
SSB symbol illumination_output
Driver outside handle antenna (-)_output
25
LIN2 (Safety ECU)
Fuel door close relay_output
Interior1 (-)_outputDriver outside handle antenna (-)_output
26
LIN3 (Rain sensor)
Wiper power relay_output
Front bumper antenna (-)_output
27
PDW-R power_input
Rear seat belt indicator RH_output
Passenger outside handle antenna (-)_output
28
PDW_input
Rear seat belt indicator LH_output
ESCL COM
29
SSB switch1_input
3rd line sheet belt indicator LH_output
Tailgate3 antenna(-)_output
30
ESCL unlock_input
Rear wiper relay_output
ESCL Enable_output
31
Passenger outside handle switch_input
Auto light sensor ground_output
Bumper antenna (-)_output
32
PDW switch_input
Wiper parking switch_input
Interior antenna2 (-)_output
33
Sun roof Status_input

ACC_input
34
Head lamp switch_input
Mirror power_input
35
Front wiper switch_input
ACC relay_output
36
Rear wiper switch_input
Battery (+)_ECU
37
Assist mirror folding RH_output

38
Assist mirror (Vertical)_output

Without Smart Key

Connector Pin Information
No
Connector A
Connector B
Connector C
1
Fuel door release switch_input
GND_ECU
Front wiper relay (Low)_output
2
Fuel door open switch_input
PDW-F power_output
-
3
GND_Power
-
-
4
PDW-R_Power_Output
Front wiper high relay_output
-
5
EMS ECU wake up_output
PDW-R switch IND_output
Immobilizer antenna power_output
6
Rear washer switch_input
-
Immobilizer antenna ground_output
7
LIN4
-
Kline_IMMO
8
P_CAN (Low)
-
-
9
P_CAN (High)
-
-
10
-
-
-
11
B_CAN (Low)
-
-
12
B_CAN (High)
3rd line sheet belt indicator RH_output
-
13
-
-
-
14
Key inter lock siwtch_input(PWM)
Rear center seat belt indicator_output
-
15
Key inter lock siwtch_input
Fuel door open relay_output
-
16
Fog switch_input
-
-
17
Light switch_input
Auto light sensor signal_input
IGN2_input
18
Front wiper INT volume switch_input
Auto light sensor power_output
IGN1_input
19
Multifunction switch_input
ATM solenoid_output
-
20
Aisst mirror unfolding switch_oupout
-
Battery_power
21
Right side mirror (Horizontal)_output
-
Brake switch_input
22
Front washer switch_input
Key hole illumination_output
-
23
Front wiper low switch_Input
-
Start relay_output
24
LIN1 (PDW)
-
Start inhibit relay_output
25
LIN2 (Safety ECU)
-
Key solenoid_output
26
LIN3 (Rain sensor)
Fuel door close relay_output
-
27
PDW-R power_input
Rear seat belt indicator RH_output
-
28
-
Rear seat belt indicator LH_output
-
29
Key in switch_input
3rd line sheet belt indicator LH_output
-
30
RVM switch_input
Rear wiper relay_output
-
31
-
Auto light sensor ground_output
-
32
PDW switch_input
Wiper parking switch_input
-
33
Sun roof Status_input

ACC_input
34
Head lamp switch_input
Mirror power_input
35
Front wiper switch_input
-
36
Rear wiper switch_input
Battery (+)_ECU
37
Mirror folding RH_output

38
Assist Mirror (Vertical)_output


Specifications

Specifications
Items
Specifications
Rated voltage
DC 12V
Operating voltage
DC 9 - 16V
Operating temperature
-30°C to 85°C (-22°F to 185°F)
Parastic current
Keyless type : 5.5 mA
Non keyless type : 3.0 mA
SMK type : 4.5 mA

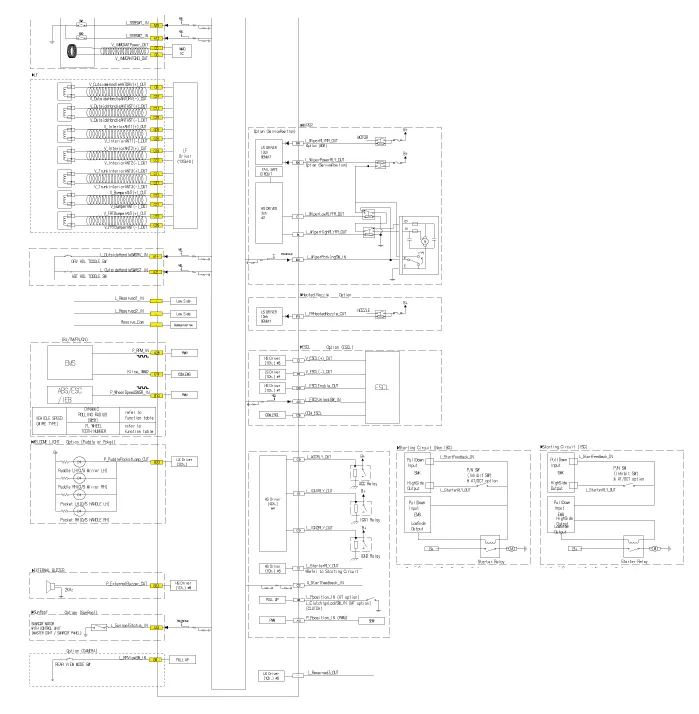
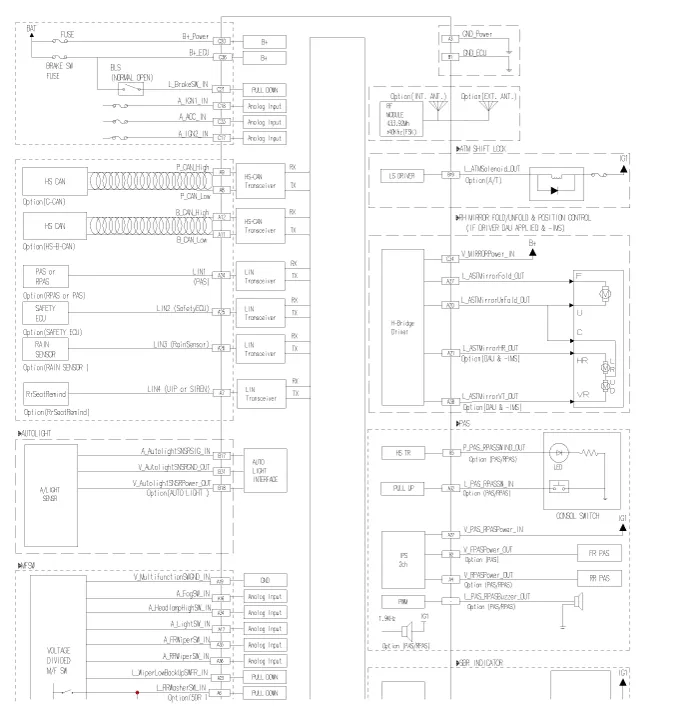
Schematic diagrams

Circuit Diagram
With Smart Key

Without Smart Key

Repair procedures

Removal
1.
Disconnect the negative (-) battery terminal.
2.
Remove the glove box.
(Refer to Body - "Glove Box")
3.
Disconnect the body control module connectors (A) and then remove the integrated body control unit (B).

Installation
1.
Install the integrated body control module.
2.
Connect the integrated body control module.
3.
Install the glove box.
IBU Diagnosis With Diagnostic Tool
1.
In the body electrical system, failure can be quickly diagnosed by using the vehicle diagnostic system.
(1)
Fault Code Searching : Checking failure and code number (DTC)
(2)
Data Analysis : Checking the system input/output data state
(3)
Actuation test : Checking the system operation condition
(4)
S/W Management : Controlling other features including system option setting and zero point adjustment
2.
If diagnose the vehicle by diagnostic tool, select "DTC Analysis" and "Vehicle".

3.
If check current status, select the "Data Analysis" and "Car model".

4.
Select the 'IBU_BCM' to search the current state of the input/output data.

    Description and operation Description Burglar Alarm State [B/A State] B/A State Description DISARM 1) In "DISARM" state, no vehicle start inhibition.

    Description and operation Description The optimal seat position set by the driver is memorized into the power seat unit by using IMS switch.

    Other information:

    Hyundai Santa Fe (TM) 2019-2023 Service and Repair Manual: AVN System

    Description and operation Description AVN system The AVN system has improved information search and easiness of manipulation for the driver by simplifying the system operation experience and unifying the display of the user information such as multimedia and car information.

    Hyundai Santa Fe (TM) 2019-2023 Service and Repair Manual: A/C Pressure Transducer. Description and operation

    Description The A/C Pressure Transducer (APT) converts the pressure value of high pressure line into voltage value after measuring it. By converted voltage value, engine ECU controls the cooling fan by operating it high speed or low speed.

    Categories

     
    Copyright © 2026 www.hsafe4.com - 0.0219