Hyundai Santa Fe (TM): Advanced Driver Assistance System (ADAS) / Driver Parking Assistance System
Desctiprion and operation
ADAS_PRK is a unit that controls the functions required for ADAS parking. If
the ADAS_PRK is applied, the parking distance warning function is also controlled
by the ADAS_PRK.
System Function
| Parking Collision-Avoidance Assist
(PCA) |
PCA is a parking safety system that assists in collision warning and emergency
braking in the event of a collision with rear pedestrians and obstacles during
reversing at low speed (collision warning is displayed on the instrument cluster
and monitor and audible warning sounds)

| Remote Smart Parking Assist (RSPA) |
The Remote Smart Parking Assist (RSPA) uses the vehicle sensors to search the
parking space. It is a convenient device that helps driver to park and to pull
out the vehicle by automatically controlling the steering wheel, shifting and
vehicle speed together with the various words of guidance and audible warning
for parking.
System operating specifications
| Parking Collision-Avoidance Assist |

When reversing at a speed of below 10Kph
|
1. |
When a collision risk is detected, visual/audible warnings are performed.
|
|
2. |
When the collision risk increases, braking assistance is performed.
(When braking mode is activated)
※ The braking deceleration value varies depending on the vehicle model
and speed
|
|
3. |
After braking assistance is completed: It releases the braking control
after maintaining the braking power for a certain period of time.
|
Operating condition
|
1. |
User Setting Menu (USM) : Driver assistance - select rear collision
warning or braking warning
|
|
2. |
When the reverse vehicle speed is below 10 Kph
|
| Remote Smart Parking Assist (RSPA) |
|
|

|
Smart
|
X
|
Remote control
|
O
|
| – |
The remote forward/reverse function can be used for the purpose of parking
or pulling out the vehicle by moving a vehicle forward/reverse from
outside the vehicle.
|
| •
|
If the wheel alignment is bad, the Remote Smart Parking Assist
function will not operate normally.
|
| •
|
If the tire or wheel installed on the vehicle is replaced with
a different sized product, the parking performance will be changed.
So, replace with the same sized product when replacing.
|
|
System limitations
| Parking Collision-Avoidance Assist
(PCA) |
| – |
User Setting Menu (USM) : Driver Assistance - If the rear collision
warning or braking warning is not selected.
|
| – |
When gear is not positioned in 'R'.
|
| – |
When the reverse speed is over 10Kph
|
| Remote Smart Parking Assist (RSPA) |
| – |
When the parking space is curved or diagonal
|
| – |
When there is an obstacle (bicycle/motorcycle/shopping cart/trash can/narrow
pillar etc.) near the parking space
|
| – |
When there is a circular pillar or narrow pillar, or a pillar surrounded
by objects (structures) such as fire hydrants near the parking space.
|
| – |
If there is a bump or curbstones
|
| – |
When the vehicle is fitted with a snow chain, spare tire or wheel of
different size
|
| – |
When tire pressure is lower or higher than the standard tire pressure
|
| – |
When the road is bumpy or slippery
|
| – |
Around the vehicle whose loading box is high or large vehicle such as
truck, or when loading cargo that is longer or wider than the vehicle's
length or width or when connecting a trailer
|
| – |
If the sensor is mounted or positioned incorrectly by an impact to the
bumper due to accident
|
| – |
When parking on the slope
|
| – |
When wheel alignment is misaligned
|
| – |
When your vehicle is leaned severely to one side
|
| – |
When the parking distance warning sensor malfunctions or does not work
(Refer to “Parking Distance Warning Function Operating Manual”)
|
| – |
When the battery of the smart key needs to be replaced
|
| •
|
When the vehicle has been parked/stopped for a long time in
a cold environment, the Remote Moving Forward/Backward may be
delayed depending on the vehicle condition when the vehicle
is turned ON remotely.
|
| •
|
Remote Smart Parking Assist system may suddenly apply brake
to avoid collision against stationary or moving object.
|
| •
|
The Remote Smart Parking Assistant system may abnormally cancel
parking when a person or animal passes around the vehicle.
|
| •
|
Even if a search completion alarm sound is generated while searching
for a parking space, there may be a case that search completion
is canceled immediately depending on the surrounding environment.
|
| •
|
When Remote Smart Parking Assistant system is operating, if
there is any object within the blind-spot area of the sensor,
a collision may occur.
|
| •
|
When searching for a smart exit space, if there is an obstacle
in the blind spot, the Remote Smart Parking Assistant system
guides as it is possible to exit but you should park a vehicle
manually as collision may occur.
|
| •
|
If the object appears suddenly while Remote Smart Parking Assist
system is operating, collision may occur.
|
| •
|
If there is only a parking line without a target car in the
parking lot, the Remote Smart Parking Assist system is unavailable.
|
| •
|
Park and exit manually when you park on inclines.
|
| •
|
When parking in a snowfall area, the detecting performance of
the ultrasonic sensor may degrade depending on the amount of
snowfall and the function may be cancelled if vehicle slips
while searching for space or during parking.
|
| •
|
When parking, the Remote Smart Parking Assist function is not
supported for the safety reason on narrow roads narrower than
the required minimum parking space (vehicle rotation radius)
such as residential areas.
|
| •
|
Remote Smart Parking Assist system does not support the diagonal
parking.
|
| •
|
Remote Smart Parking Assist system may be canceled when the
vehicle slips or the vehicle could not move due to road condition
such as pebbles or fragmented stones.
|
| •
|
Performance of the Remote Smart Parking Assist system may be
degraded if there is a circular pillar and narrow pillar or
a pillar surrounded by objects such as fire hydrant.
|
| •
|
When parked in a narrow space close to a wall or road, the smart
exit function may not be supported normally.
|
|
Troubleshooting
Diagnosis with Diagnostic tool
|
1. |
In the body electrical system, failure can be quickly diagnosed by using
the vehicle diagnostic system (Diagnostic tool).
The diagnostic system (Diagnostic tool) provides the following information.
| 1) |
Fault Code Searching : Checking failure and code number (DTC)
|
| 2) |
Data Analysis : Checking the system input/output data state
|
| 3) |
Actuation test : Checking the system operation condition
|
| 4) |
S/W Management : Controlling other features including system
option setting and zero point adjustment
|
|
|
2. |
Connect the cable of Diagnostic tool to the data link connector in driver
side crash pad lower panel, and turn on the Diagnostic tool.
|
|
3. |
If diagnose the vehicle by Diagnostic tool, select "DTC Analysis" and
"Vehicle".

|
|
4. |
If check current status, select the "Data Analysis" .

|
|
5. |
Select "ADAS_PRK", if you want to check current data of Driver parking
assistance system.

|
Variant Coding Procedures
|
1. |
Connect the cable of Diagnostic tool to the data link connector in driver
side crash pad lower panel, and turn on the Diagnostic tool.
|
|
2. |
Select the 'S/W Management' and 'Car model'.

|
|
3. |
Select the 'Advanced Driver Assistance Systems_Parking' and Variant
Coding.

|
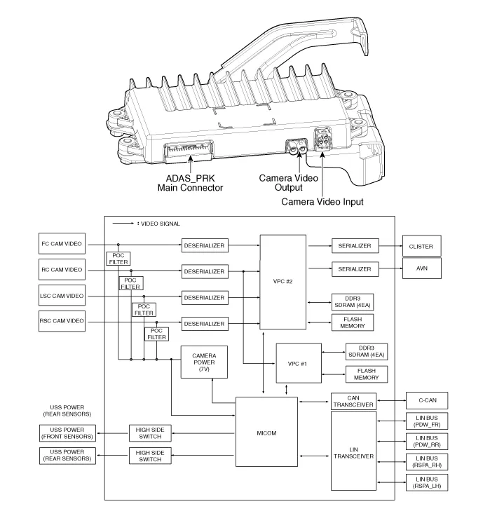
ADAS Parking ECU (ADAS_PRK). Components and components location
| Components and Components
Location |


ADAS Parking ECU (ADAS_PRK). Repair procedures
|
1. |
Disconnect the negative (-) battery terminal.
|
|
2. |
Remove the carash pad lower panel.
(Refer to Body - "Crash Pad Lower Panel")
|
|
3. |
Remove the crash pad center panel.
(Refer to Body - "Crash Pad Center Panel")
|
|
4. |
Disconnect the ADAS_PRK unit connector (A).

|
|
5. |
Loosen the mounting nuts and remove the ADAS_PRK unit (A).

|
|
1. |
Install in the reverse order of removal.
|
|
2. |
Connect the cable of Diagnostic tool to the data link connector in driver
side crash pad lower panel, and turn on the Diagnostic tool.
|
|
3. |
Select the 'S/W Management' and 'Car model'.

|
|
4. |
Select the 'Advanced Driver Assistance Systems_Parking' and Variant
Coding.

|
Remote Smart Parking Assist (RSPA). Components and components location
| Components and Components
Location |

Remote Smart Parking Assist (RSPA). Schematic diagrams
Parking/View Switch

Ultrasonic Sensor

Remote Smart Parking Assist (RSPA). Repair procedures
ADAS Parking ECU (ADAS_PRK)
|
1. |
Disconnect the negative (-) battery terminal.
|
|
2. |
Remove the ADAS Parking ECU (ADAS_PRK).
(Refer to Advanced Driver Assistance System (ADAS) - "ADAS Parking ECU
(ADAS_PRK)")
|
Parking/View switch
| •
|
When removing with a flat-tip screwdriver or remover, wrap protective
tape around the tools to prevent damage to components.
|
| •
|
Put on gloves to prevent hand injuries.
|
|
| •
|
Take care not to bend or scratch the trim and panels.
|
|
|
1. |
Disconnect the negative (-) battery terminal.
|
|
2. |
Remove the console upper cover (A).

|
|
3. |
Disconnect the console upper cover connectors (A).

|
|
4. |
Loosen the mounting screws and remove parking/view Switch (A)

|
Ultrasonic Sensor
|
1. |
Disconnect the negative (-) battery terminal.
|
|
2. |
Remove the front/rear bumper.
(Refer to Body - "Front Bumper Cover")
(Refer to Body - "Rear Bumper Cover")
|
|
3. |
Disconnect the connector from the parking distance warning sensor.
|
|
4. |
Pull out the sensor (A) by opening the sensor holder out.

|
|
1. |
Install in the reverse order of removal.
|
|
2. |
Connect the cable of Diagnostic tool to the data link connector in driver
side crash pad lower panel, and turn on the Diagnostic tool.
|
Parking Collision-Avoidance Assist (PCA). Components and components location
| Components and Components
Location |

Parking Collision-Avoidance Assist (PCA). Schematic diagrams
Ultrasonic Sensor

Rear view camera

Parking Collision-Avoidance Assist (PCA). Repair procedures
Parking Collision-Avoidance Assist (PCA) Unit
|
1. |
Disconnect the negative (-) battery terminal.
|
|
2. |
Remove the ADAS PRK Unit.
(Refer to Advanced Driver Assistance System (ADAS) - "Driver Parking
Assistance System")
|
Parking Collision-Avoidance Assist (PCA) Ultrasonic sensor
|
1. |
Disconnect the negative (-) battery terminal.
|
|
2. |
Remove the ultrasonic sensor.
(Refer to Advanced Driver Assistance System (ADAS) - "Parking Distance
Warning (PDW)")
|
Parking Collision-Avoidance Assist (PCA) Rear view camera
|
1. |
Disconnect the negative (-) battery terminal.
|
|
2. |
Remove the rear view camera.
(Refer to Advanced Driver Assistance System (ADAS) - "Rear View Monitor
(RVM)")
|
|
1. |
Install in the reverse order of removal.
|