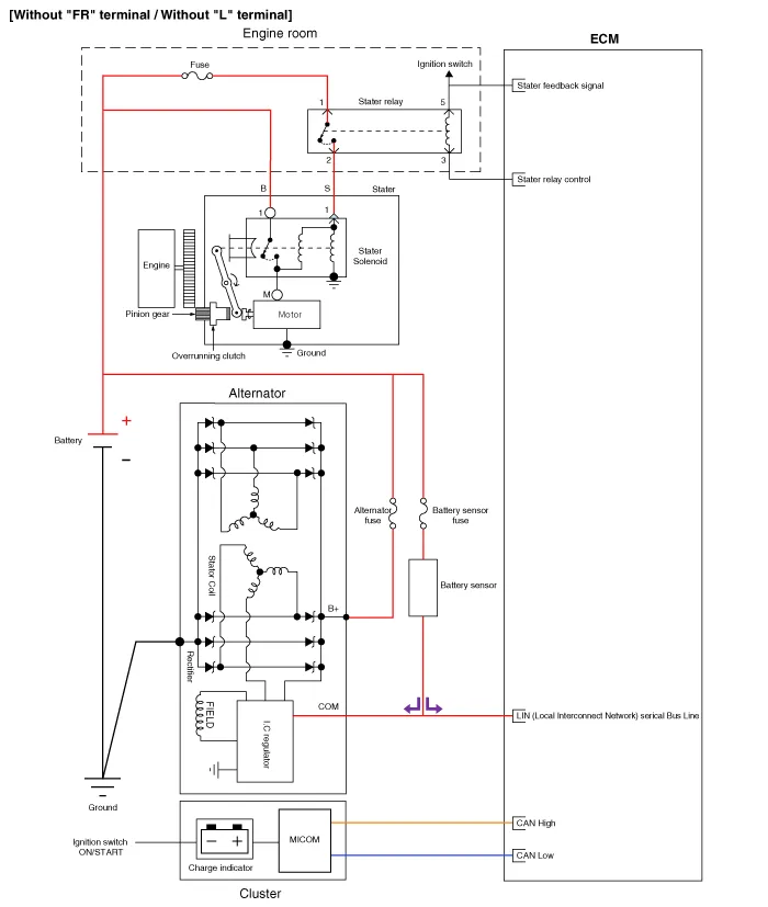
| Circuit Diagram |


Troubleshooting • Be careful not to short-circuit the wiring by the body or other wirings.
Inspection Inspection Item • Battery efficiency inspection • Battery voltage inspection • Charging voltage insptection • General inspection • Terminal tightening state inspection • Engine/ transaxle ground state inspection • Wiring harness ground state inspection • Electrical Specified Value Inspection • Vehicle parasitic current inspection • Battery capacity inspection Battery Efficiency Inspection • Check that the battery cables are connected to the correct terminals.
Description The photo sensor is located at the center of the defrost nozzles. The photo sensor contains a photovoltaic (sensitive to sunlight) diode. The solar radiation received by its light receiving portion, generates an electromotive force in proportion to the amount of radiation received which is transferred to th
Inspection To inspect and diagnose the sensor, refer to Self-Diagnosis procedure and DTC guide. Replacement 1. Disconnect the negative (-) battery terminal. 2. Remove the rain sensor inner cover (A) and rain sensor cover (B).