Hyundai Santa Fe (TM): ESP(Electronic Stability Program) System / Front Wheel Speed Sensor. Repair procedures

Removal
  
•
Be careful not to damage the parts located under the vehicle (floor under cover, fuel filter, fuel tank and canister) when raising the vehicle using the lift.
(Refer to General Information - "Lift and Support Points")
1.
Loosen the wheel nuts slightly.
Raise the vehicle, and make sure it is securely supported.
2.
Remove the front wheel and tire (A) from the front hub.
Tightening torque :
107.9 - 127.5 N.m (11.0 - 13.0 kgf.m, 79.6 - 94.0 lb-ft)
  
•
Be careful not to damage the hub bolts when removing the front wheel and tire (A).

3.
Remove the front wheel guard.
(Refer to Body - "Front Wheel Guard")
4.
Disconnect the front wheel speed sensor connector (A) and then remove the fixing clip (B).

5.
Remove the front wheel speed sensor cable braket bolt (A).
Tightening torque :
19.6 - 29.4 N.m (2.0 - 3.0 kgf.m, 14.5 - 21.7 lb-ft)

6.
Loosen the bolt and then disconnect the front wheel speed sensor (A).
Tightening torque :
8.8 - 13.7 N.m (0.9 - 1.4 kgf.m, 6.5 - 10.1 lb-ft)

Inspection
1.
Measure the output voltage between the terminal of the wheel speed sensor and the body ground.
  
•
In order to protect the wheel speed sensor, when measuring output voltage, a 100Ω resister must be used as shown.

2.
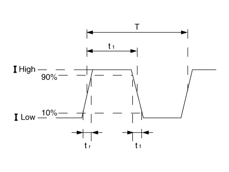
Compare the change of the output voltage of the wheel speed sensor to the normal change of the output voltage as shown below.

• Ⅰlow : 5.95 ~ 8.05 mA
• ⅠHIgh : 11.9 ~ 16.1 mA
• Frequency range : 0.03 ~ 3000 HZ
Installation
1.
Install in the reverse order of removal.

    Components 1. Front wheel speed sensor 2. Front wheel speed sensor connector

    Components [2WD] 1. Rear wheel speed sensor [4WD] 1. Rear wheel speed sensor 2.

    Other information:

    Hyundai Santa Fe (TM) 2019-2023 Service and Repair Manual: Compressor oil. Repair procedures

    Oil Specification 1. The R-134a or R-1234yf system requires synthetic (PAG) compressor oil whereas the R-12 system requires mineral compressor oil. The two oils must never be mixed. 2.

    Hyundai Santa Fe (TM) 2019-2023 Service and Repair Manual: In-car Sensor. Description and operation

    Description The In-car air temperature sensor is built in the heater & A/C control unit. The sensor consists of a thermistor that measures the inside temperature. The signal decided by the resistance value that changes in accordance with perceived inside temperature, is delivered to heater control unit, and according t

    Categories

     
    Copyright © 2026 www.hsafe4.com - 0.015