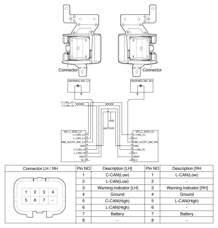
| Connector and Terminal Function |

Specifications [BCW, BCA] Items Blind-Spot Collision Warning (BCW) Blind-Spot Collision- Avoidance Assist (BCA) Blind-Spot Collision- Avoidance Assist (BCA) ※Parallel Exit Rated voltage DC 12V Operating voltage 9V ~ 16V Operating speed 20 ㎞/h ~ 255 ㎞/h 60 ㎞/h ~ 200 ㎞/h 0 ㎞/h ~ 3 ㎞/h Sensible distance 70m 80m Frequency 24 GHz Numbers 2 EA [RCCW, RCCA] Items Rear Cross-Traffic Collision Warning System (RCCW) Rear Cross-Traffic Collision- Avoidance Assist (RCCA) Rated voltage DC 12V Operating voltage 9V ~ 16V Operating speed 0 km/h ~ 10 km/h 0.
Removal 1. Disconnect the negative (-) battery terminal. 2. Remove the rear bumper cover.
Inspection 1. Turn the ignition switch OFF. 2. Disconnect the temperature control actuator connector. 3. Verify that the temperature control actuator operates to the cool position when connecting 12V to terminal 3 and grounding terminal 7.
Trouble Symptom Charts Trouble Symptom 1 Trouble Symptom 2 Trouble symptom Probable cause Remedy The set vehicle speed varies greatly upward or downward "Surging" (repeated alternating acceleration and deceleration) occurs after set