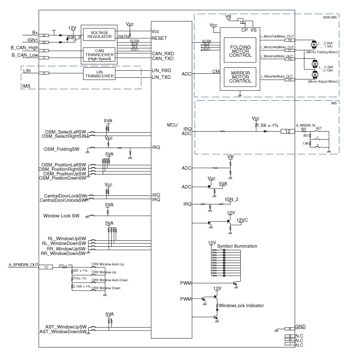
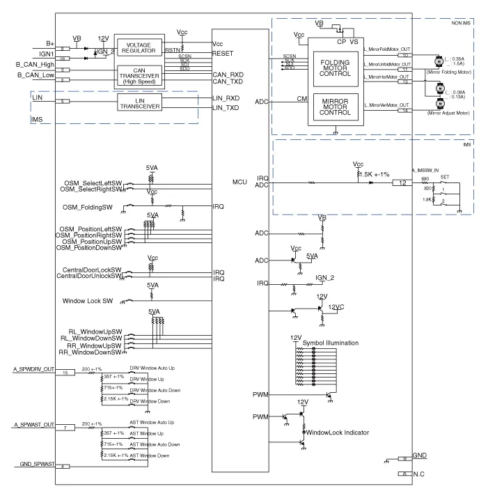
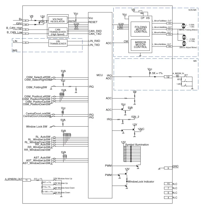
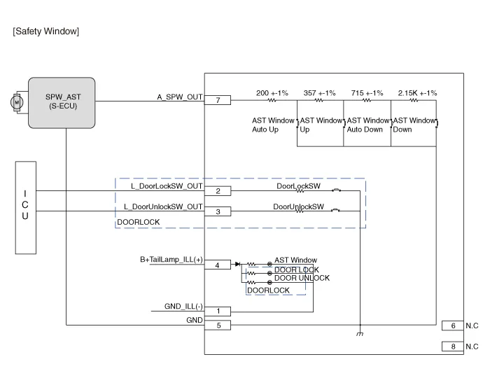
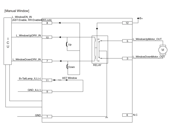
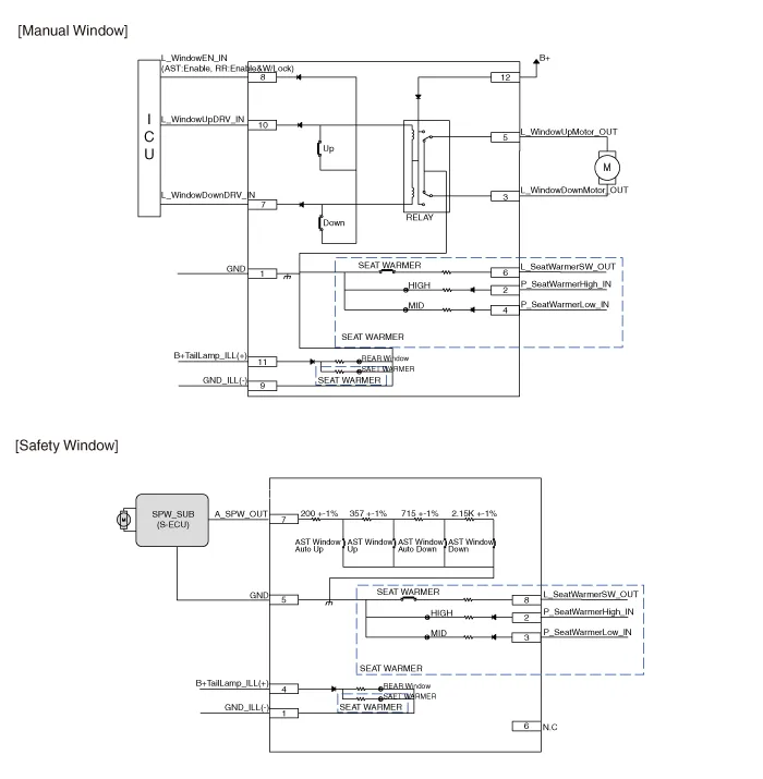
| Circuit Diagram |






Components [Driver Power Window Switch] [Assist Power Window Switch] [Rear Power Window Switch]
Diagnosis with diagnostic tool Diagnosis with diagnostic tool 1. In the body electrical system, failure can be quickly diagnosed by using the vehicle diagnostic system (diagnostic tool).
Inspection 1. Turn the ignition switch OFF. 2. Disconnect the intake actuator connector. 3. Verify that the intake actuator operates to the fresh air position when connecting 12V to terminal 3 and grounding terminal 7.