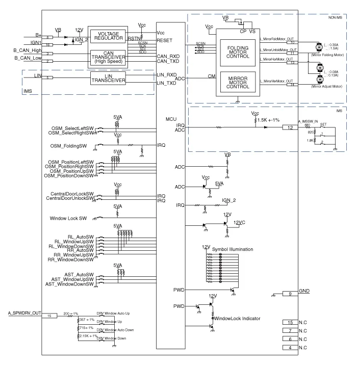
| Circuit Diagram |


Component Location 1. Power door mirror 2. Power door mirror switch 3. Power folding mirror switch
Removal 1. Disconnect the negative (-) battery terminal. 2. Remove the front left door trim.
Replacement 1. Disconnect the negative (-) battery terminal. 2. Remove the heater and blower assembly. (Refer to Heater - "Heater Unit") 3. Remove the heater core.
Specifications [BCW, BCA] Items Blind-Spot Collision Warning (BCW) Blind-Spot Collision- Avoidance Assist (BCA) Blind-Spot Collision- Avoidance Assist (BCA) ※Parallel Exit Rated voltage DC 12V Operating vol