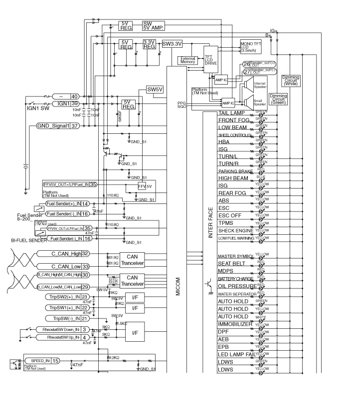
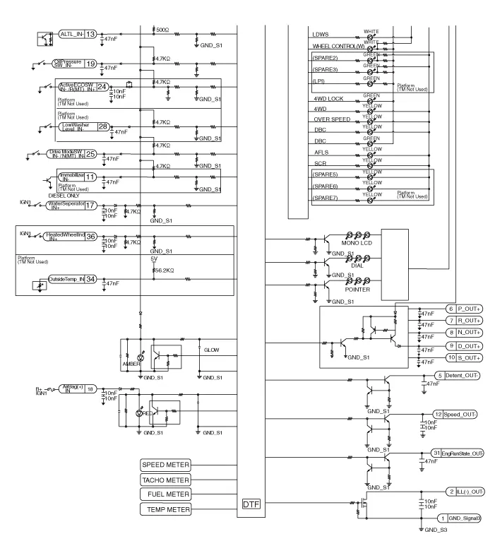
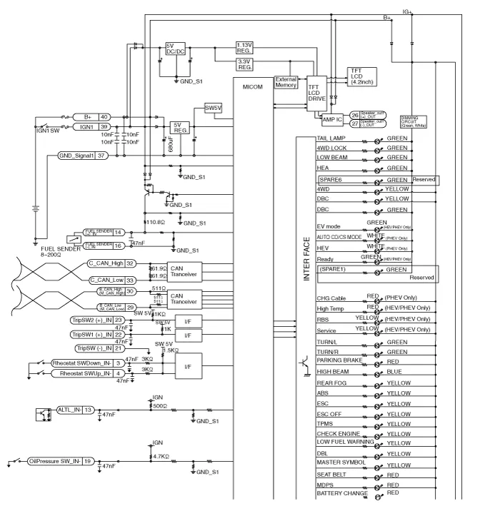
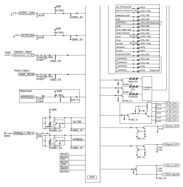
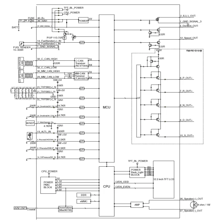
| Circuit Diagram |





Components MONO TFT LCD 3.5 Inch TFT LCD 4.2 Inch Color 12.3 Inch Connector Pin Information No.
Removal 1. Disconnect the negative (-) battery terminal. 2. Remove the cluster fascia panel (A).
Description The heater unit includes mode control actuator and temperature control actuator. The temperature control actuator is located at the heater unit. It regulates the temperature by the procedure as follows. Signal from control unit adjusts the position of the temperature door by operating the temperature switch