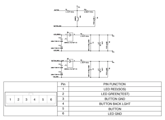
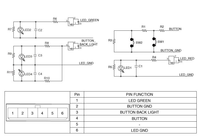
| Circuit diagram |


Removal • Replace the eCall unit.
Removal 1. Disconnect the negative (-) battery terminal. 2. Remove the overhead console cover (A).
Description and operation The System may be limited when • The radar sensor or camera is blocked with a foreign object or debris.